More Energy-saving / More Efficient
/ High Precision Injection
TECHNICAL CHARACTERISTICS
· Being optimized by finite element analysis,the even stress distribution on the platen minimizes the chance of deformation while can prolong its life time also.
· Parameters optimization design of connecting rod structure, guarantee run fast and smooth, small hedge-click
· Oversized ties bar margins, may mold thickness and mould opening stroke can carrying larger molds
· Use quantitative distribution of lubrication systems, lubrication of high pressure, high reliability
· Hydraulic motor drive gear adjusting, mould adjusting quickly and accurately.
· Low pressure mold protection function. Multiple ejector mode optional. High precision control of clamping and ejector position
STANDARD FEATURES
· Integral casting high intensity platen and toggle
· Mechanical and electric dual protection device
· Mold cooling water dispenser
· Floor place reserved for robot installation
· Code template hole template
OPTIONAL FEATURES
· Increase mold thickness
· Hydraulic core pul
· Rotate drawing
· Air ejector
· Hydraulic or electric daylight adjustment
· Mold Opening mechanical limit stop
· Mold hang up device
· Widening of safety door
· Automatic safety door
· T-slot mold platen
TECHNICAL CHARACTERISTICS
· Alloy steels nitrided screw and wear resistance of nozzle's pieces achievable
quality of high performance plasticizing.
· Adopted with integral casting unit base, reinforced the rigidity of the injection unit,
injection work more smoothly.
· Modular screw barrel design, replacing different components quickly and easily.
· Adopted with mobile hopper replacing raw materials quickly and easily.
· Nozzle temperature control can be selected pid or percentages, easy operations.
· Six- stage injection , Five-stage holding pressure and three-stage plasticizing
control to meet different product requirements
· Precise material temperature control to ensure quality
· A variety of specially designed screw component options
STANDARD FEATURES
· Alloy steel material nitride screw set
· Mono cylinder movement injection device
· Mobile hopper unit device
· Nozzle micro manipulator
· Cylinder's heat insulation cover
· Nozzle protective cover
OPTIONAL FEATURES
· Increase injection weight
· Extended nozzle
· Enlarge or reduce hydraulic motor power
· Bi- metallic screw and barre
· Spring type self-lock nozzle
· Hard chrome plated screw component
· Special use screw components
· Numeric control of plasticizing and back pressure.
TECHNICAL CHARACTERISTICS
· Environmental Protection-----
Heat due to overflow will not occur, hydraulic oil cooling water requirements simply by quantitative
40%-60% of fix pump, using precision bypass filter, good cleanliness control of hydraulic oil using
oil period of up to five years.
· Reliable-----
Adopts imported hydraulic components, high reliability, long life cycle
· High speed-----
Adopted with Japan YUKEN/NACHI proportion high response variable pump, fast response,
and compare with the same powerfix pump output displacement greater 15%-20%
· Power Saving-----
And compared to conventional fix pump machines can save power 25%-50%
· Low Noise-----
Rational design of hydraulic control manifolds, less pressure loss, high integration, the unique
quiet noise makes the machine run smoothly.
TECHNICAL CHARACTERISTICS
· Taiwan MIRLE high performance controller.large-screen displays, friendly use interface, easy to operate.
· Multi-PID barrel temperature control, adjustable independent PID
parameters can obtain accurate temperature control.Automatic mold adjustment mode function, die changing fast, easy.
· Adopted with linear transducer control die move,injection and
ejector stroke,parameter set more easy and precision.Production statistics and parameters history, production process
control.Computer hardware fault inspection and alarm function, multiple
hydraulic core pulling and rotating release features.
· Timing to prevent heating and insulation functions.Cold start protection (Screw).Support for network-attached lines to the remote monitor function.Screw speed detection and automatic cleaning function.Fault logging and parameter modification record.
· Computer setting automatic lubrication function. 240 molds data storage and robot interface. Injection end-shot Digital, curved line double statistics feature. Online convert I/O function.
· Precision linear adjustment of output pressure and flow capabilities.Smart segmentation slope adjustment function.
STANDARD FEATURES
· Taiwan mirle high performance controller.
· Large screen color display
· Robot interface
· Humanized process parameter setting
· Monitor routine
· Emergency stop switch
· Emergency stop switch
· Spare electrical outlet
OPTIONAL FEATURES
· Multi color alarm lights
· Taiwan Techmation
· Extra electrical outlet
· Extra rear door emergency
stop switch

· Received from the injection molding machine controllers speed and pressure for a given signal
· By detection and high accuracy encoder feedback servo motor servo motor speed
· Through the oil pump pressure sensor testing and feedback hydraulic system pressure.
· For a given and feedback between the error, servo driver relocated, and will automatically control the servo
motor RMP and pressure output precisely by double close loop controller.

· High Energy Saving Characteristic.
· Servo motorto spin during the cooling phase, the system consumes no energy.
· At the holding stage minimal output of the servo system of hydraulic oil in the complement
system, and consumes power rarely
· Basically system operation without loss of overflow, maximum energy saving effect.
· 15%-75% energy saving than conventional variable pump system, water saving 50% or above
· High Response Characteristic-----
Servo pump from rest to maximum pressure output, Max output is only 0.04 seconds, moving quickly afterwards, reducing
the switching time, shorter work cycles, improve production efficiency
· High Precision Characteristic-----
Servo system at the actual product process requirements, pressure and flow and any decision to implement closed-loop control
pressure and flow, maintain the stability of the pressure and flow, high control precision and repeatability
· Reliable, Easy Operation And Maintenance-----
Because the system reduces unnecessary heat, are effective in reducing the oil temperature increases, reducing the oil change
frequency, longer parts of the life cycle of the hydraulic oil and hydraulic systems, low maintenance costs, just through a simple
computer injection molding machine parameters are set, the operation is simple and convenient.
· High Value Added-----
Perfect combination of electrical and hydraulic, water-energy saving, better implements energy saving and environmental
protection, reliable and quiet reaching the national level standard.
|
Specification |
UNIT |
JPM780S |
||
|
A |
B |
C |
||
|
Shot volume |
cm3 |
3181 |
3927 |
4329 |
|
Shot weight(ps) |
g |
2987 |
3687 |
4065 |
|
Oz |
105.5 |
130.3 |
143.6 |
|
|
Screw diameter |
mm |
90 |
100 |
105 |
|
Injection pressure |
Mpa |
180 |
146 |
132 |
|
Screw L/D ratio |
l/d |
24 |
22 |
20 |
|
Screw stroke |
mm |
500 |
||
|
Screw speed |
rpm |
0-119 |
||
|
Clamping force |
KN |
7800 |
||
|
Opening stroke |
mm |
1025 |
||
|
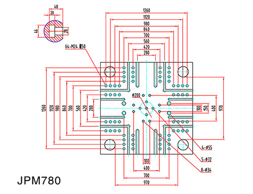
Platen dimension |
mm×mm |
1430×1430 |
||
|
Distance between tie bars |
mm×mm |
970×970 |
||
|
Max.daylight |
mm |
2000 |
||
|
Mold thickness(min-max) |
mm |
380-975 |
||
|
Ejector stroke |
mm |
300 |
||
|
Ejector force |
KN |
275 |
||
|
Number of ejector |
|
5+8+4 |
||
|
Hydraulic system pressure |
Mpa |
17.5 |
||
|
JPM-S Servo Series |
kw |
76.4 |
||
|
Heating capacity |
kw |
40.6 |
||
|
Number of temp. controls zones |
|
7 |
||
|
Oil tank capacity |
L |
1160 |
||
|
Dimension (L×W×H) |
m |
10.5×2.4×2.6 |
||
|
Machine weight |
kg |
40000 |
||



National service hotline
19 Beihai Xingye North Road, Lunjiao Town, Shunde District, Foshan City, Guangdong Province
E-mail : sales@wia-machinery.com
Copyright 2019 Guangdong Weiya Precision Machinery Co., Ltd. All Rights Reserved . Technical support:ceall