節能 / 高效 / 精密注射
· 精確有限元分析的合模板強度更高;
· 優化的機鉸臂運動曲線令開合模更快更平順;
· 加大裝模尺寸及開模行程;
· 低阻力線性導軌令注射動作更快、更靈敏、更精準;
· 國內一流品牌伺服動力系統扭力大、耐保壓、更節能。
技術特點
· 模板的設計經有限元分析校核,應力分布合理,變形小,鎖模精度高,模板使用壽命長;
· 優化設計連桿結構參數,保證機構運行快速平穩,沖擊小;
· 特大的拉桿內距、容模量及開模行程,可裝載更大的模具;
· 采用容積定量分配式潤滑系統,潤滑壓力高,可靠性強;
· 液壓馬達驅動齒輪調模機構,調模準確快速
· 低壓模具保護功能
· 多種頂針模式可選
· 高精密電子尺控制鎖模、頂針位置。
標準配置
· 整體澆鑄高強度模板及機鉸
· 機械電氣雙重保護裝置
· 模具冷卻水分配器
· 預留機械手安裝位置
· 碼模孔模板
備選配置
· 加大容模量
· 液壓抽芯
· 旋轉脫模
· 氣頂出
· 液壓或電動鉸牙
· 開模機械限位
· 吊模架
· 加寬機門
· 自動安全門
· T型槽模板

備選
技術特點
· 合金鋼淡化螺桿及耐磨三小件,可實現優質高效塑化;
· 射移支架整體鑄造,射臺剛性增強,射膠工作更加平穩;
· 移動式料斗拉出滑道,更換原料方便快捷;
· 射嘴溫度控制可選PID或百分比控制,操作靈活;
· 六段射膠、五段保壓、三段溶膠控制,滿足不同制品要求;
· 準確料溫控制,保證制品質量
· 多種特殊設計的螺桿組件備選
標準配置
· 合金鋼氮化螺桿料管組
· 單射移拖把注射裝置
· 移動料斗裝置
· 射嘴對中微調裝置
· 料管保溫罩
· 射嘴防護罩
備選配置
· 加大射膠量
· 加長射嘴
· 加大或減少熔膠馬達
· 雙金屬螺桿及料筒
· 彈簧自鎖射嘴
· 鍍硬鉻螺桿組件
· 專用料管組件
· 數控熔膠背壓
技術特點
· 環保-----
由于不會產生溢流發熱,液壓油冷卻所需水量只需定量泵機器的40%-60% ,采用精密旁路過
濾器,良好的油液清潔度控制令液壓油在正常使用下壽命長達五年;
· 可靠-----
采用進口液壓元件,可靠性高,使用壽命長;
· 快速-----
采用日本YUKEN/NACHI高響應比例變量泵,動作響應速度快,比同樣功率電機帶動的定量
泵輸出排量大15%-20%
· 省電-----
和常規定量泵機器相比可省電25%-50%;
· 低噪音-----
設計合理的液壓控制閥板,壓力損失小,集成度高,獨特降噪處理令整機運行平穩寧靜。
標準配置
· 高響應比例變量泵系統
· 熔膠背壓調節裝置
· 精密旁路過濾器
· 高效油冷卻系統
· 全進口液壓控制閥及密封元件
· 磁性顆粒分離器
· —組液壓抽芯裝置(JPM320-JPM650)
· 二組液壓抽芯裝置(JPM320-JPM650)
備選配置
· 加大油泵及電機
· 獨立油溫控制
· 液壓安全保護
· 加大油冷卻器
· 氮氣儲能射膠
· 伺服電機控制系統
· 閉環控制變量泵
· 同步熔膠、頂針或抽芯
技術特點
· 臺灣盟立MIRLE高性能控制器
· 大屏幕顯示,人機界面友好,操作方便;
· 多段PID料筒溫度控制,PID參數獨立可調,可獲得精確的料溫控制
· 全自動調模功能,更換模具快速方便;
· 采用高精度電子尺控制移模、注射和頂針行程,參數設置方便,控制精度高
· 生產統計和成型參數歷史記錄,對生產過程有效監控
· 電腦硬件故障自檢報警功能;多組液壓抽芯及旋轉脫模功能;
· 定時預加熱和保溫功能
· 螺桿防冷啟動保護功能
· 支持網絡連線遠程監控功能
· 螺桿轉速檢測和自動清料功能
· 故障記錄和參數修改記錄功能;
· 電腦設定自動潤滑功能
· 240組模具參數存儲及機械手接口
· 射膠終點數字、曲線雙統計功能
· 在線I/O轉換功能;
· 精密壓力流量輸出線性調整功能
· 智能分段動作斜率調整功能;
標準配置
· 臺灣盟立MlRLE電腦控制系統
· 大屏幕彩色顯示器
· 機械手界面
· 人性化工藝參數設置
· 動作全面監控
· 磁性顆粒分離器
· 急停保護開關
· 備用電源插頭插座
備選配置
· 多色報警燈
· 臺灣弘訊控制器
· 加裝電源插座
· 后安全門加急停開關

|
技術參數 |
UNIT |
JPM480Ⅱ |
||
|
A |
B |
C |
||
|
理論注射容積 |
cm3 |
1877 |
2411 |
3011 |
|
實際注射量(ps) |
g |
1764 |
2267 |
2830 |
|
Oz(盎司) |
62.3 |
80.1 |
100 |
|
|
螺桿直徑 |
mm |
75 |
85 |
95 |
|
注射壓力 |
Mpa |
208 |
162 |
130 |
|
螺桿長徑比 |
l/d |
24 |
21 |
19 |
|
螺桿行程 |
mm |
425 |
||
|
螺桿轉速 |
rpm |
0-165 |
||
|
鎖模力 |
KN |
4800 |
||
|
開模行程 |
mm |
810 |
||
|
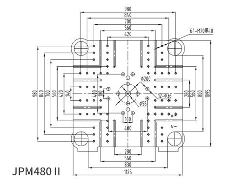
模板尺寸 |
mm×mm |
1125×1095 |
||
|
拉桿間距 |
mm×mm |
830×800 |
||
|
模板最大距離 |
mm |
1580 |
||
|
容模量(最薄-最厚) |
mm |
265-820 |
||
|
頂行出程 |
mm |
250 |
||
|
頂出力 |
KN |
111 |
||
|
頂針數 |
|
12+1 |
||
|
液壓系統壓力 |
Mpa |
17.5 |
||
|
(伺服)油泵馬達 |
kw |
48 |
||
|
電熱量 |
kw |
31.3 |
||
|
溫度控制區數 |
|
6 |
||
|
油箱容量 |
L |
910 |
||
|
外形尺寸(L×W×H) |
m |
8.2×1.9×2.3 |
||
|
機重(實) |
kg |
20000 |
||
|
技術參數
Specification
|
UNIT |
JPM480V |
||
|
A |
B |
C |
||
|
理論注射容積
Shot volume
|
cm3 |
1877 |
2411 |
3011 |
|
實際注射量(ps)
Shot weight(ps)
|
g |
1764 |
2267 |
2830 |
|
Oz(盤司) |
62.3 |
80.1 |
100 |
|
|
螺桿直徑
Screw diameter
|
mm |
75 |
85 |
95 |
|
注射壓力
Injection pressure
|
Mpa |
208 |
162 |
130 |
|
螺桿長徑比
Screw L/D ratio
|
l/d |
24 |
21 |
19 |
|
螺桿行程
Screw stroke
|
mm |
425 |
||
|
螺桿轉速
Screw speed
|
rpm |
0-160 |
||
|
鎖模力
Clamping force
|
KN |
4800 |
||
|
開模行程
Opening stroke
|
mm |
755 |
||
|
模板尺寸
Platen dimension
|
mmxmm |
1160×1130 |
||
|
拉桿間距
Distance between
tie bars
|
mmxmm |
830×800 |
||
|
模板最大距離
Max.daylight
|
mm |
1555 |
||
|
容模量(最薄-最厚)
Mold thickness(min-max)
|
mm |
265-800 |
||
|
頂出行程
Ejector stroke
|
mm |
250 |
||
|
頂出力
Ejector force
|
KN |
111 |
||
|
頂針數
Number of ejector
|
|
12+1 |
||
|
液壓系統壓力
Hydraulic system pressure
|
Mpa |
17.5 |
||
|
變量泵
JPM-V VaiablePump
|
kw |
48 |
||
|
電熱量
Heating capacity
|
kw |
31.3 |
||
|
溫度控制區數
Number of temp,
controls zones
|
|
6 |
||
|
油箱容量
Oil tank capacity
|
L |
910 |
||
|
外形尺寸(LxWxH)
Dimension (LxWxH)
|
m |
8.2×1.9×2.3 |
||
|
機重
Machine weight
|
kg |
20000 |
||



全國統一服務熱線
廣東省佛山市順德區倫教鎮倫教工業區北海興業北路19號
郵箱 :sales@wia-machinery.com
Copyright 2019 廣東威亞精密機械股份有限公司 All Rights Reserved . 粵ICP備19126837號
粵公網安備44060602002969號 技術支持:佛山網站建設